The Cliff™ range of single touch–proof terminal binding posts is designed for use in varied applications including professional and consumer audio, test and measurement, power supplies and industrial uses. Terminal spindles and mounting hardware are manufactured from high quality solid brass, either nickel or gold plated. Plastic parts are mouldedmolded from tough glass reinforced nylon, polypropylene or clear resin. Terminals are shrouded and touch proof to reduce the risk of accidental electric shock in higher current applications and comply with European safety regulations. UL approved models are available on request.
Significant Features
All models have the Cliff™ castellated knob.
Conform to the general requirements of
BS ENIEC
60065.
Terminals are touch–proof to reduce the risk of accidental electric shock in higher current applications.
Technical Data
All terminals are supplied with one plain washer, one spring washer and one nut. TP44 has a 10 × 32 UNF thread. TP60 has ¼″ UNF thread. All models can be supplied with either a nickel or gold plated finish and different stud lengths are available. Red and black blanking plugs are for inserting into the 4 mm end-holes to comply with European safety regulations. Clear plastic knobs with colouredcolored idents can be supplied to order, subject to quantity. Especially used on gold-plated versions.
Specfications
Maximum Current: TP44 30 A, TP60 60 A.
Contact Resistance: Nickel < 30 mΩ, Gold < 20 mΩ.
Temperature Rating: −20 to +80 °C.
Flammability: UL
94
HB
minimum.
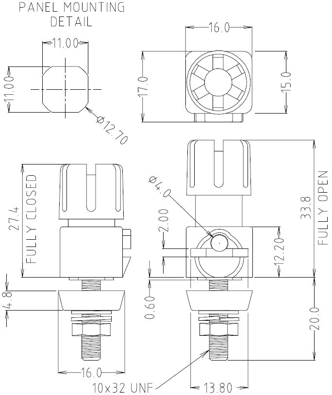
TP44 30 A. Chassis-mounted or for recess plates. ⌀4 mm cross hole. Short 20 mm spindle.
CL15941 Black, nickel-plated.
CL15941ABlack, nickel-plated, assembled.
CL15942 Red, nickel-plated.
CL15942ARed, nickel-plated, asssembled.
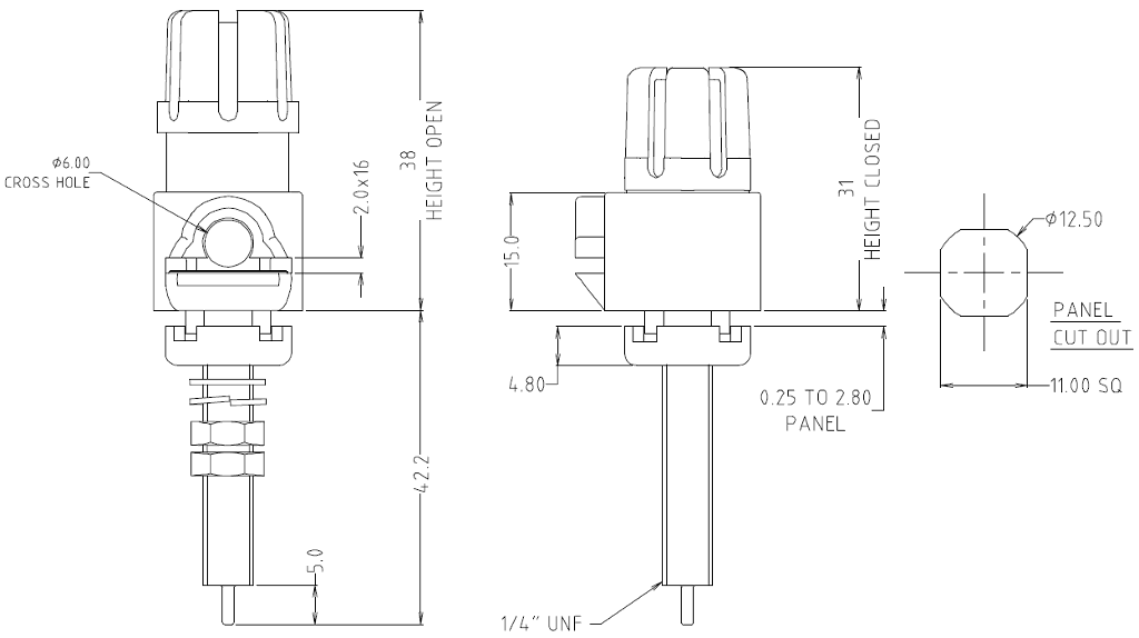
TP60L Heavy-duty, 60 A, professional. ⌀6 mm cross hole. Long 37.2 mm spindle.
CL159791Black, nickel-plated.
CL159793Red, nickel-plated.
TP60S Heavy-duty, 60 A, professional. ⌀6 mm cross hole. Short 23.5 mm spindle.
CL159797Black, nickel-plated.
CL159798Red, nickel-plated.
TP60CSG Heavy-duty, 60 A, clear plastic. ⌀6 mm cross hole. 3 mm spade terminal slot. Short 23.5 mm spindle.
CL159802AClear / Black, gold-plated, assembled.
CL159801AClear / Red, gold-plated, assembled.
TP60P Heavy-duty, 60 A, PCB mounting. ⌀6 mm cross hole. Long 42.2 mm spindle.
CL159791PABlack, nickel-plated, assembled.
CL159793PARed, nickel-plated, assembled.
TP60V Heavy-duty, 60 A. ⌀6 mm cross hole. Short 23.5 mm spindle.